KAmod ESP32-C3 (PL)
From Kamamilabs.com - Wiki
(Redirected from Kamod ESP32-C3 (PL))

Opis
KAmod ESP32-C3 - Płytka rozwojowa z układem ESP32-C3 Mini-1
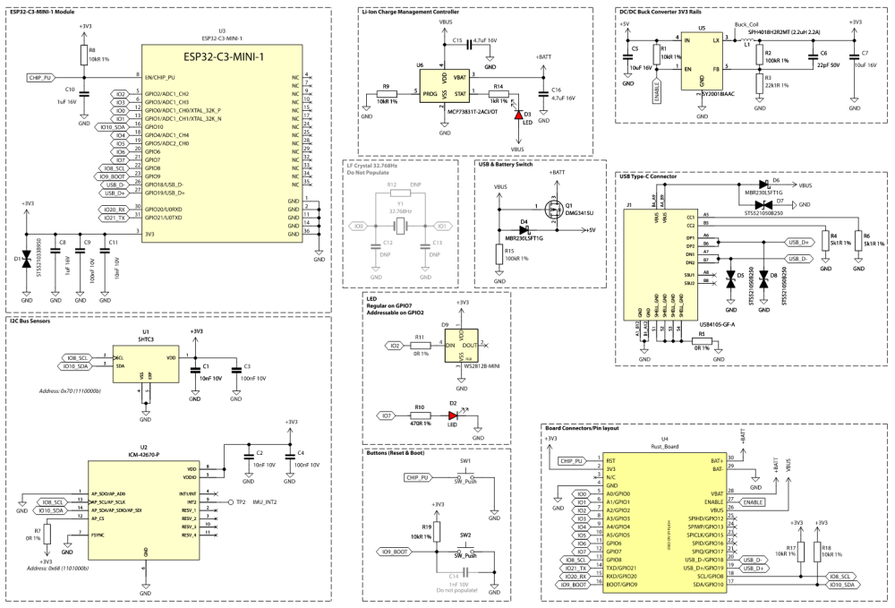
Na płytce KAmod ESP32-C3 znajduje się moduł ESP32-C3 Mini-1 firmy Espressif, który zawiera 32-bitowy, jednordzeniowy mikrokontroler SoC o architekturze RISC-V oraz interfejsy radiowe Wi-Fi i Bluetooth 5 (LE) z obsługą trybu dalekiego zasięgu (LR).
Częstotliwość taktowania MCU wynosi maksymalnie 160 MHz i jest wyposażony w aż 400 kB pamięci RAM i 4 MB pamięci Flash. Obsługuje tryby niskiego zużycia energii, działa w temperaturach od -40 do +85︒C, realizuje funkcje bezpiecznego rozruchu Secure Boot oraz szyfrowanie flash z AES-128/256-XTS, itd. Dzięki tak rozbudowanej specyfikacji doskonale nadaje się do zastosowań przemysłowych oraz z zakresu IoT. Ponadto, na płytce modułu znajdują się: dokładny czujnik temperatury i wilgotności SHTC3, czujnik MEMS typu ICM42670 zawierający 3-osiowy żyroskop i 3-osiowy akcelerometr, 3-kolorowa dioda typu WS28212, oraz dioda LED podłączona do jednego z portów mikrokontrolera. Komponenty te ułatwią budowę wielu różnych aplikacji.
Moduł jest zasilany napięciem +5V dostarczanym przez złącze USB-C, lub napięciem z akumulatora Li-Ion. Napięcie +3,3 V zasilające mikrokontroler i układy peryferyjne wytwarza przetwornica Buck DC/DC typu SY8088 o napięciu wejściowym z zakresu 2.5….5 V. Po zaniku napięcia ze złącza USB-C zasilanie automatycznie dostarczane jest z akumulatora (jeżeli jest podłączony). Układ zasilania jest uzupełniony o ładowarkę akumulatora Li-Ion na bazie układu MCP7381, zasilanej ze złącza USB-C.
Moduł KAmod ESP32-C3 jest przeznaczony do uruchamiania i testowania aplikacji w środowisku Arduino z użyciem języka C/C++ oraz Rust.
Podstawowe cechy i parametry
- Moduł ESP32C3 Mini-1 (Wi-Fi 802.11 b/g/n, Bluetooth 5 LE)
- Mikrokontroler 32-bit RISC-V jednordzeniowy 160 MHz, 400 kB SRAM, 4 MB Flash
- 15 linii GPIO
- interfejsy komunikacyjne SPI, I2C, I2S, UART, USB
- przetwornik ADC 12-bit SAR do 6 kanałów
- Akcelerometr ICM42670
- Trójosiowy żyroskop MEMS - czujniki prędkości kątowej osi X, Y i Z
- Trójosiowy akcelerometr MEMS osi X, Y i Z
- Interfejs komunikacyjny: I2C
- Termometr/higrometr SHTC3
- Zakres pomiaru wilgotności 0…100%RH z dokładnością +/- 2%
- Zakres pomiaru temperatury -40 do +125 °C. Dokładność pomiaru +/-0.2°C w zakresie od 0°C do +60°C
- Interfejs komunikacyjny I2C
- Przetwornica DC/DC typu SY8088
- Układ ładowarki baterii Li-Ion typu MCP73831
- Programowana dioda WS2812
- Złącze USB-C
- Zasilanie modułu napięciem +5V
- Interfejs programujący pamięć Flash mikrokontrolera
- Interfejs JTAG
- Przyciski Reset i Boot
Wyposażenie standardowe
| Kod | Opis |
|---|---|
| KAmod ESP32-C3 |
|

Schemat elektryczny

Opis wyprowadzeń

Zasilanie układu
Moduł jest zasilany napięciem VBUS o wartości +5 V ze złącza USB-C. To napięcie służy również do ładowania akumulatora Li-Ion 4,2 V, jeśli jest podłączony do wyjścia Charger. Za proces ładowania odpowiada układ MCP7381 realizujący algorytm ładowania o stałym natężeniu prądu/stałym napięciu, gdzie prąd ładowania jest ustawiony na 100 mA, a napięcie końcowe na 4,20 V.

Konfiguracja środowiska Arduino i program testowy
Czynności wstępne
Podłączamy moduł Kamod ESP-C3 do komputera z zainstalowanym środowiskiem Arduino IDE. W oknie wyboru modułu wybieramy moduł ESP32C3 Dev Module i wirtualny port szeregowy COMx, poprzez który jest połączony moduł.

W naszej procedurze testowej będziemy używali okna terminala, w którym będą wyświetlane wyniki działania programu. Żeby to było możliwe trzeba odblokować domyślnie zablokowaną opcję USB CDC On Boot

Konfiguracja okna preferences
Otwieramy okno preferencji File->Preferences. W polu Additional boards manager ULRs zakładki Settings wpisujemy adres https://dl.espressif.com/dl/package_esp32_index.json

Wybór typu procesora dla programowanego modułu
Wybieramy kolejno zakładkę Tools, następnie Board, rodzinę procesorów esp32 i moduł z procesorem ESP32C3. Każda zmiana modułu podłączonego do komputera przez USB będzie wymagała powtórzenia tego kroku. Jeżeli nie wykonamy go na początku, to można go wykonać przed kompilacją. W przeciwnym razie projekt nie zostanie prawidłowo skompilowany.

Instalowanie bibliotek
Program testowy wymaga zainstalowania bibliotek obsługujących układy peryferyjne: akcelerometr ICM42670P, termometr/higrometr SHTC3 i 3-kolorową diodę LED typu WS2812B.
Instalowanie biblioteki do obsługi układu ICM42670P
Klikamy na pionowym pasku narzędzi ikonę bibliotek. W oknie wyszukiwanie wpisujemy ICM42670, wybieramy ICM42670P by TDK/Invensense i klikamy Install.

Instalowanie biblioteki do obsługi układu SHTC3
Wybieramy bibliotekę Adafruit SHTC3 Library dostarczaną przez Adafruit. Wymaga ona doinstalowania powiązanych bibliotek - aby to zrobić w wyskakującym dodatkowym oknie Install library dependencies klikamy Install All.

Instalowanie biblioteki obsługującej 3-kolorową diodę RGB typu WS2812
Do sterowania 3-kolorowej diody RGB zastosujemy bibliotekę dostarczana przez Adafruit - Adafruit NeoPixel

Obsługa akcelerometru ICM42670P
ICM42670P jest połączony z mikrokontrolerem za pomocą magistrali I2C. Do jej obsługi jest przeznaczona biblioteka Wire. Do inicjowania interfejsu I2S jest używana metoda begin z argumentami określającymi linie portów przypisane do sygnałów SDA i SCL
#define I2C_SDA 10 //SDA IO10
#define I2C_SCL 8 //SCL IO8
Wire.begin(I2C_SDA, I2C_SCL);
Obsługa termometru/higrometru SHTC3
Układ SHTC3 łączy się z mikrokontrolerem również za pomocą interfejsu I2C. Konfiguracja i inicjacja tego interfejsu została pokazana powyżej. Inicjalizacja biblioteki układu SHTC3 jest wykonywana standardowo przez metodę begin.
shtc3.begin();
Odczytywanie i konwersję wartości temperatury wykonuje metoda htc3.getEvent
htc3.getEvent(&humidity, &temp); // read temp and humidity
Dane wyjściowe są umieszczane w zmiennych temp.temperature i humidity.relative_humidity i można je bezpośrednio wyświetlić.
Przykładowy wydruk odczytanych danych z czujnika SHTC3 na konsoli znakowej Arduino IDE

Obsługa diody RGB WS2812B
Tworzymy instancję WS2812B, w której określamy: ilość diod WS2812 połączonych w łańcuchu (NUM_PIXELS), oraz numer portu linii danych (PIN_WS2812B). Pozostałe parametry można zostawić domyślnie. U nas jest jedna dioda (NUM_PIXELS = 1) podłączona do linii poru DO2 (PIN_WS2812B =2)
#define PIN_WS2812B 2 // ESP32 pin that connects to WS2812B
#define NUM_PIXELS 1 // The number of LEDs (pixels) on WS2812B
Adafruit_NeoPixel WS2812B(NUM_PIXELS, PIN_WS2812B, NEO_GRB + NEO_KHZ800);
Inicjalizacja drivera jest standardowo wykonywana przez metodę begin:
WS2812B.begin(); //WS2812 driver config
Metoda setBrightness służy do ustawiania jasności świecenia wszystkich diod
WS2812B.setBrightness(50); //WS8212 brightness
Metoda clear wygasza wszystkie diody, a metoda setPixelColor określa składowe koloru dla każdej z diod.
WS2812B.setPixelColor(0, WS2812B.Color(255, 0, 0)); //kolor czerwony
Skutki działania metod clear i setPixelColor są widoczne po wywołaniu metody show:
WS2812B.show();
Sprawdzanie działania modułu WiFi
Procedura testowa sprawdzająca działanie modułu WiFi polega na skanowaniu radiowej sieci WiFi i wyświetlaniu znalezionych identyfikatorów SSID lokalnych sieci wraz z poziomem sygnału radiowego, kanałem radiowym oraz rodzajami szyfrowania danych.
Najpierw jest ustawiany tryb WIFI_STA, czyli tryb stacji. W tym trybie moduł ESP32 może się łączyć z sieciami WIFI. Po połączeniu z ruterem moduł może żądać informacji z Internetu (jeżeli ruter jest połączony z Internetem), lub z urządzeń z lokalnej sieci rutera. Po ustawieniu tego trybu wykonujemy ewentualne rozłączenie z siecią (jeżeli moduł był wcześniej połączony):
WiFi.mode(WIFI_STA); //station mode
WiFi.disconnect(); //disconnect WIFI network
Możemy teraz skanować identyfikatory sieci WIFI za pomocą metody scanNetworks
Metoda zwraca ilość wykrytych sieci wspomniane już parametry: poziom sygnału radiowego, kanał radiowy oraz rodzaj szyfrowania danych.
numNetworks = WiFi.scanNetworks(); //scan WIFI networks
</nowiki>
Serial.println("Scan done");
if (numNetworks == 0)
{
Serial.println("no networks found");
}
Po wykonaniu skanowania można wyświetlić odczytane dane w konsoli i wykorzystać do w naszej aplikacji na przykład w celu połączenia z wybraną siecią.
for (int i = 0; i < numNetworks; ++i) {
// Print SSID and RSSI for each network found
Serial.printf("%2d", i + 1);
Serial.print(" | ");
Serial.printf("%-32.32s", WiFi.SSID(i).c_str());
Serial.print(" | ");
Serial.printf("%4ld", WiFi.RSSI(i));
Serial.print(" | ");
Serial.printf("%2ld", WiFi.channel(i));
Serial.print(" | ");
switch (WiFi.encryptionType(i)) {
case WIFI_AUTH_OPEN: Serial.print("open"); break;
case WIFI_AUTH_WEP: Serial.print("WEP"); break;
case WIFI_AUTH_WPA_PSK: Serial.print("WPA"); break;
case WIFI_AUTH_WPA2_PSK: Serial.print("WPA2"); break;
case WIFI_AUTH_WPA_WPA2_PSK: Serial.print("WPA+WPA2"); break;
case WIFI_AUTH_WPA2_ENTERPRISE: Serial.print("WPA2-EAP"); break;
case WIFI_AUTH_WPA3_PSK: Serial.print("WPA3"); break;
case WIFI_AUTH_WPA2_WPA3_PSK: Serial.print("WPA2+WPA3"); break;
case WIFI_AUTH_WAPI_PSK: Serial.print("WAPI"); break;
default: Serial.print("unknown");
}
Serial.println();
delay(10);
}
}
Przykładowy wydruk działania programu skanującego sieć WIFI na konsoli znakowej Arduino IDE

Po wykonaniu skanowania i wyświetleniu danych trzeba wyczyścić dane, żeby przygotować moduł WiFi do kolejnego skanowania – metoda scanDelete
WiFi.scanDelete();
Program testowy
Program testowy ma zadanie przetestować wszystkie komponenty umieszczone na płytce modułu. Test składa się z kolejnych kroków:
- Zapaleniu diody czerwonej LED podłączonej do linii portu IO7
- Odczytaniu i wyświetleniu w konsoli Arduino IDE odczytanych danych z ICM42670P
- Odczytaniu i wyświetleniu w konsoli Arduino IDE odczytanych danych z SHTC3
- Skanowaniu sieci WIFI i wyświetleniu w konsoli Arduino IDE identyfikatorów SSID siłę sygnału radiowego, numer kanału WIFI i rodzaj kodowania danych w sieci dla każdej ze znalezionych sieci
- Zgaszeniu czerwonej diody LED
- Zapaleniu co 0,5 sekundy kolejnych diod WS2812B czerwonej, zielonej i niebieskiej
- Zgaszeniu wszystkich diod WS2812B i rozpoczęciu testu od nowa
Poniżej pokazany jest fragment ekranu konsoli znakowej Arduino IDE wyświetlający jeden przebieg programu testowego.

Kod programu testowego znajduje się poniżej, można go skompilować w środowisku Arduino.
#include "WiFi.h"
#include<Wire.h> //I2s DRIVER
#include <Adafruit_NeoPixel.h>//RGB diode WS2812
#include "Adafruit_SHTC3.h"
#include "ICM42670P.h" //ICM42670P driver
#define LED_BUILTIN 7 //LED IO7 to flash
#define I2C_SDA 10 //SDA IO10
#define I2C_SCL 8 //SCL IO8
#define PIN_WS2812B 2 // ESP32 pin that connects to WS2812B
#define NUM_PIXELS 1 // The number of LEDs (pixels) on WS2812B
Adafruit_NeoPixel WS2812B(NUM_PIXELS, PIN_WS2812B, NEO_GRB + NEO_KHZ800);
ICM42670 IMU(Wire,0); //I2S addres 0x68
Adafruit_SHTC3 shtc3 = Adafruit_SHTC3();
void setup() {
//WS28212 setup
WS2812B.begin(); //WS2812 driver config
WS2812B.setBrightness(50); //WS8212 brightness
//LED flash setup
pinMode(LED_BUILTIN, OUTPUT); //IO7 output
//serial setup
Serial.begin(115200);
delay(2000);
while(!Serial); //wait to serial ready
//I2S line setup
Wire.begin(I2C_SDA, I2C_SCL); //setup I2S driver
IMU.begin(); //setup ICM42670P driver
// Start accelerometer and gyroscope
IMU.startAccel(100, 16); // 100 Hz, ±16g
IMU.startGyro(100, 2000); // 100 Hz, ±2000 dps
shtc3.begin();
WiFi.mode(WIFI_STA);
WiFi.disconnect();
delay(100);
}
void loop()
{
int numNetworks;
sensors_event_t humidity, temp;
inv_imu_sensor_event_t imu_event;
digitalWrite (LED_BUILTIN, HIGH);
//ICM42670P register read, convert and
Serial.print("\n");
Serial.print("********************************");
Serial.print("\n");
int ret = IMU.getDataFromRegisters(imu_event); //ICM42670P register read
Serial.println(ret);
if (ret == 0) {
// Convert acceleration to g
float accelX = imu_event.accel[0] / 2048.0;
float accelY = imu_event.accel[1] / 2048.0;
float accelZ = imu_event.accel[2] / 2048.0;
// Convert gyroscope to dps
float gyroX = imu_event.gyro[0] / 16.4;
float gyroY = imu_event.gyro[1] / 16.4;
float gyroZ = imu_event.gyro[2] / 16.4;
//print converted result
Serial.print("ICM42670P AccelX:");
Serial.println(accelX);
Serial.print("ICM42670P AccelY:");
Serial.println(accelY);
Serial.print("ICM42670P AccelZ:");
Serial.println(accelZ);
Serial.print("********************************");
Serial.print("\n");
Serial.print("ICM42670P GyroX:");
Serial.println(gyroX);
Serial.print("ICM42670P GyroY:");
Serial.println(gyroY);
Serial.print("ICM42670P GyroZ:");
Serial.println(gyroZ);
Serial.print("********************************");
Serial.print("\n");
Serial.print("ICM42670PTemperature:");
Serial.println((imu_event.temperature/128.0)+25.0);
Serial.print("********************************");
Serial.print("\n");
}
Serial.print("SHTC3P register read.........:");
Serial.print("\n");
Serial.print("********************************");
Serial.print("\n");
shtc3.getEvent(&humidity, &temp);// read temp and humidity
Serial.print("SHTC3 Temperature: "); Serial.print(temp.temperature); Serial.println(" deg C");
Serial.print("SHTC3 Humidity: "); Serial.print(humidity.relative_humidity); Serial.println("% rH");
Serial.print("********************************");
Serial.print("\n");
numNetworks = WiFi.scanNetworks();
Serial.println("Scan done");
if (numNetworks == 0) {
Serial.println("no networks found");
} else {
Serial.print(numNetworks);
Serial.println(" networks found");
Serial.println("Nr | SSID | RSSI | CH | Encryption");
for (int i = 0; i < numNetworks; ++i) {
// Print SSID and RSSI for each network found
Serial.printf("%2d", i + 1);
Serial.print(" | ");
Serial.printf("%-32.32s", WiFi.SSID(i).c_str());
Serial.print(" | ");
Serial.printf("%4ld", WiFi.RSSI(i));
Serial.print(" | ");
Serial.printf("%2ld", WiFi.channel(i));
Serial.print(" | ");
switch (WiFi.encryptionType(i)) {
case WIFI_AUTH_OPEN: Serial.print("open"); break;
case WIFI_AUTH_WEP: Serial.print("WEP"); break;
case WIFI_AUTH_WPA_PSK: Serial.print("WPA"); break;
case WIFI_AUTH_WPA2_PSK: Serial.print("WPA2"); break;
case WIFI_AUTH_WPA_WPA2_PSK: Serial.print("WPA+WPA2"); break;
case WIFI_AUTH_WPA2_ENTERPRISE: Serial.print("WPA2-EAP"); break;
case WIFI_AUTH_WPA3_PSK: Serial.print("WPA3"); break;
case WIFI_AUTH_WPA2_WPA3_PSK: Serial.print("WPA2+WPA3"); break;
case WIFI_AUTH_WAPI_PSK: Serial.print("WAPI"); break;
default: Serial.print("unknown");
}
Serial.println();
delay(10);
}
}
WiFi.scanDelete();
digitalWrite (LED_BUILTIN, LOW);
WS2812B.clear(); // set all pixel colors to 'off'. It only takes effect if pixels.show() is called
WS2812B.setPixelColor(0, WS2812B.Color(255, 0, 0)); // it only takes effect if pixels.show() is called
WS2812B.show();
delay(500);
WS2812B.setPixelColor(0, WS2812B.Color(0, 255, 0)); // it only takes effect if pixels.show() is called
WS2812B.show();
delay(500);
WS2812B.setPixelColor(0, WS2812B.Color(0, 0, 255)); // it only takes effect if pixels.show() is called
WS2812B.show();
delay(500);
WS2812B.clear(); // set all pixel colors to 'off'. It only takes effect if pixels.show() is called
WS2812B.show();
delay(100); // 500ms pause between each pixel
//}
}
Konfiguracja środowiska do programowania w języku Rust i programy testowe
Najpierw pokażemy, jak szybko pobrać i skonfigurować niezbędne komponenty i narzędzia programowe do wygenerowania prostego projektu w języku Rust. Po skonfigurowaniu narzędzi będzie można projekt skompilować i przesłać do pamięci flash. Wszystkie czynności są wykonywane w systemie operacyjnym Linux Ubuntu wersja 24.04.2 LTS. Komputer musi być podłączony do Internetu.
Włączenie repozytorium Universe
"Universe" to standardowe repozytorium dla Ubuntu. Repozytorium jest utrzymywane przez społeczność i zapewnia bezpłatne oprogramowanie typu open source. Domyślnie jest włączone w najnowszych wersjach Ubuntu. Jednak, gdyby tak nie było to możemy go włączyć za pomocą wiersza poleceń:

Instalacja pakietów libssl-dev, libudev, kompilatora C/C++ clang i interpretera Python 3
Pakiet libssl-dev zawiera protokoły kryptograficzne SSL i TLS do bezpiecznej komunikacji przez Internet. Pakiet libudev udostępnia interfejs API do introspekcji i wyliczania urządzeń na poziomie lokalnym system. Clang jest kompilatorem języków programowania C, C++ i Objective-C i jest częścią projektu LLVM. Znany z szybkiego czasu kompilacji i doskonałej diagnostyki, Clang może również działać jako zamiennik GCC. W projekcie jest używany linker Clang. Python3-pip jest pakietem instalacyjnym języka Python ver3, a python3-venv instaluje środowisko wirtualne.


Instalacja pakietów Rust i menadżera Cargo
Rust to język programowania ogólnego przeznaczenia, kładący nacisk na wydajność, bezpieczeństwo typów i współbieżność. Cargo to menedżer pakietów Rust. Cargo pobiera zależności pakietu Rust, kompiluje pakiety, tworzy pakiety dystrybucyjne i przesyła je do crates.io, rejestru pakietów społeczności Rust.


Instalacja niezbędnych modułów Cargo:
- espflash potrzebny do programowania pamięci Flash mikrokontrolera
- ldproxy przekazanie argumentów konsolidatora
- cargo-generate do generowania projektów według szablonu

Tworzenie projektu

Wykonanie tego polecenia otwiera okno uproszczonego menadżera projektu. Menadżer poprosi nas o:
- wpisanie nazwy projektu na przykład test-modulu-esp32c3
- wybranie z listy typu MCU – w naszym przypadku będzie to ESP32C3
- wybranie wersji ESP-IDF wybieramy v5.3
Pozostałe opcje można wybrać tak jak na rysunku poniżej

Po wybraniu wszystkich opcji menadżer projektu utworzy katalog o nazwie projektu, w którym umieści niezbędne pliki. W katalogu src projektu menadżer umieści plik źródłowy main.rs ze szkieletem wczytanym poleceniem cargo generate.

W tym momencie mamy już wszystko, żeby wyedytowany plik main.rs kompilować, przesyłać swój program do pamięci flash i uruchamiać jego działanie. Wszystkie te czynności są wykonywane automatycznie po wykonaniu polecenie.

Jeżeli wykonujemy to pierwszy raz to polecenie będzie pobierało z sieci szereg niezbędnych komponentów i może to trochę potrwać.
Testowanie modułu – miganie diody D2 podłączonej do portu IO7
Na poniższym listingu jest wersja źródłowa programu cyklicznie zapalającego i gaszącego diodę LED co 500msek. Należy go umieścić w pliku main.rd (katalog src) i wykonać polecenie cargo run.
use esp_idf_svc::hal::{delay::FreeRtos, gpio::PinDriver, peripherals::Peripherals};
//use esp_idf_sys as _; // If using the `binstart` feature of `esp-idf-sys`, always keep this module imported
fn main() {
// It is necessary to call this function once. Otherwise some patches to the runtime
// implemented by esp-idf-sys might not link properly. See https://github.com/esp-rs/esp-idf-template/issues/71
esp_idf_svc::sys::link_patches();
let peripherals = Peripherals::take().expect("Failed to take peripherals");
let mut led = PinDriver::output(peripherals.pins.gpio7).expect("Failed to create led driver");
loop {
led.toggle().expect("Failed to toggle LED");
FreeRtos::delay_ms(500);
}
}
Testowanie modułu – odczyt danych z termometru SHTC3 i akceleratora ICM42670
Podobnie jak w poprzednim przykładzie należy wpisać do pliku poniższa wersję źródłową i wykonać polecenia cargo run.
use esp_idf_svc::hal::{
delay::FreeRtos,
i2c::{I2cConfig, I2cDriver},
prelude::*,
};
//use esp_idf_sys as _;
use icm42670::{accelerometer::vector::F32x3, prelude::_accelerometer_Accelerometer, Address};
use shtcx::{Measurement, PowerMode::*};
fn main() {
esp_idf_svc::sys::link_patches();
let peripherals = Peripherals::take().expect("Failed to take peripherals");
let i2c_config = I2cConfig::new()
.baudrate(100.kHz().into())
.sda_enable_pullup(true)
.scl_enable_pullup(true);
let shared_bus = shared_bus::BusManagerSimple::new(
I2cDriver::new(
peripherals.i2c0,
peripherals.pins.gpio10,
peripherals.pins.gpio8,
&i2c_config,
)
.expect("Failed to create i2c driver"),
);
let mut shtc3 = shtcx::shtc3(shared_bus.acquire_i2c());
let mut icm42670 = icm42670::Icm42670::new(shared_bus.acquire_i2c(), Address::Primary)
.expect("Failed to instantiate icm42670");
loop {
let Measurement {
temperature,
humidity,
} = shtc3
.measure(NormalMode, &mut FreeRtos)
.expect("Failed to read SHTC3 temp/hum");
println!(
"SHTC3:\n\t- temp: {}\n\t- hum: {}",
temperature.as_degrees_celsius(),
humidity.as_percent()
);
let temp = icm42670
.temperature()
.expect("Failed to read ICM42670 temp");
let F32x3 {
x: ax,
y: ay,
z: az,
} = icm42670
.accel_norm()
.expect("Failed to read ICM42670 accel data");
let F32x3 {
x: gx,
y: gy,
z: gz,
} = icm42670
.gyro_norm()
.expect("Failed to read ICM42670 gyro data");
println!(
"ICM42670:\n\t- temp: {}\n\t- accel: {}, {}, {}\n\t- gyro: {}, {}, {}",
temp, ax, ay, az, gx, gy, gz
);
FreeRtos::delay_ms(1000);
}
}
Po wykonaniu komendy cargo run po skompilowaniu i zapisaniu pamięci flash na ekranie terminala będą co sekundę wyświetlane odczytane po magistrali I2C dane z termometru i akceleratora.
Wymiary
Wymiary płytki Kamod ESP32-C3 to 63 x 27 mm.

