KAmod CAN SN65HVD230
From Kamamilabs.com - Wiki

Description
KAmod CAN SN65HVD230 - CAN Transceiver with SN65HVD230 Chip for 3.3V Systems
The KAmod CAN SN65HVD230 module allows you to connect a microcontroller/microcomputer equipped with a CAN interface controller to the CAN bus. It includes the SN65HVD230 chip, compatible with the PCA82C250, which is designed for a 3.3V power supply and can therefore directly interface with many modern microcontrollers (no voltage translators required). Furthermore, it includes a number of integrated protections and operates in EM emission reduction mode.
Basic Parameters
- Power supply and control line voltage: 3.3 V
- Control: serial interface, TX, RX lines
- CAN bus, up to 120 devices
- SN65HVD230 transceiver, compatible with PCA82C250
- Integrated ESD protection
- Hot pluggable
- Option to connect an integrated 120 Ω terminating resistor
- CAN bus lines are connected as 1x2 goldpin pins and a 3.81 mm Phoenix MC connector
- Control connector: 1x4 goldpin pins
- Power LED
- Module board dimensions: 27 x 10.5 mm
Standard Equipment
| Code | Description |
|---|---|
| KAmod CAN SN65HVD230 |
|

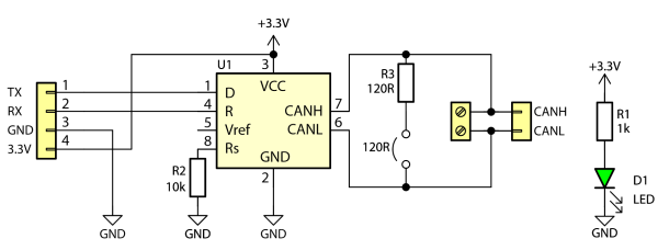
Schematic

Signal Layout on the Board
The KAmod CAN SN65HVD230 module is not a CAN bus controller and does not generate CAN-compliant data frames. Data in the appropriate format must be sent to the module's serial input from a control system—e.g., a microcontroller with an integrated CAN controller.
The functions of the individual pins on the 1x4 connector are as follows:
| Marking | Function |
|---|---|
| 3.3V | 3.3V power input, positive pole |
| GND | Power supply ground – negative pole |
| CAN RX | Serial output of data read from the CAN bus |
| CAN TX | Serial data input to the CAN bus |

The bus lines are marked CAN L and CAN H and are available on a Phoenix MC connector and on goldpins with a standard 2.54 mm pitch. Their layout is shown in the drawing and is described on the top and bottom of the module board.
| Marking | Function |
|---|---|
| CANL | CAN bus transmission line |
| CANH | CAN bus transmission line |

Connecting a Terminating Resistor
The module allows you to connect a 120 Ω terminating resistor to the CAN bus line. This solution should only be used when the module is located at one end of the CAN bus. This function is active when the jumper marked "120R" is installed.

Dimensions
